Elektrostatischer Industrie-Filter EL-FI –
Hochleistungsfilter für Öl-, Emulsionsnebel & Rauch
Der elektrostatische Filter EL-FI ist eine hochwirksame und effiziente Lösung zur Absaugung und Reinigung von belasteter Luft in industriellen Fertigungsbereichen. Entwickelt für den Einsatz an Zerspanungsmaschinen, CNC-Bearbeitungszentren, Schweißplätzen und sonstigen Produktionsprozessen, entfernt der EL-FI zuverlässig Öl- und Emulsionsnebel sowie Rauch aus der Abluft – selbst bei hohen Luftvolumenströmen.
Anwendungsgebiete:
- Schleif- und Bearbeitungsprozesse
- Lebensmittelverarbeitung z.B. Küchen, etc.
- Lüftungsanlagen in Industriehallen
- Vergüteöfen
- Härtebecken
Bei Interesse an einer unserer Anlagen, füllen Sie bitte den nachfolgenden Projektfragebogen aus und lassen und diesen per Mail zukommen, damit wir Sie bestmöglich beraten können.
Leistungsstark & flexibel einsetzbar
Dank modularer Bauweise stehen unterschiedliche Bauformen zur Verfügung, die Luftleistungen von 1.000 bis 50.000 m³/h abdecken – ideal für kleine Einzelarbeitsplätze ebenso wie zentrale Absauganlagen.

Wirtschaftlich & wartungsfreundlich
Der EL-FI zeichnet sich durch niedrige Betriebs- und Wartungskosten aus. Da viele Komponenten regenerierbar sind und die abgeschiedene Flüssigkeit zurückgeführt werden kann, werden Betriebskosten reduziert und Ausfallzeiten minimiert. Zudem lässt sich das Gerät optimal an Ihre Anwendungsanforderungen anpassen – inklusive zusätzlicher Sonderfilter oder Filterbestückungen nach Bedarf.
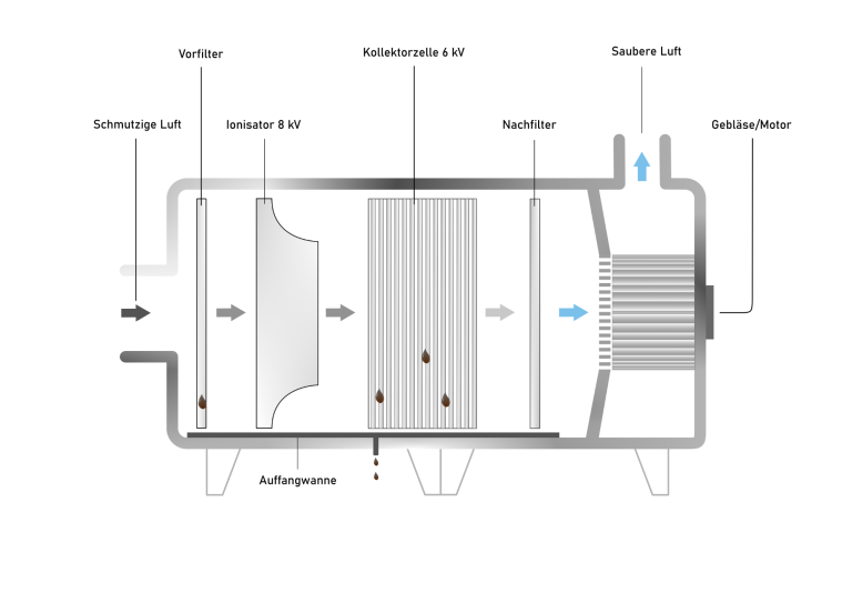
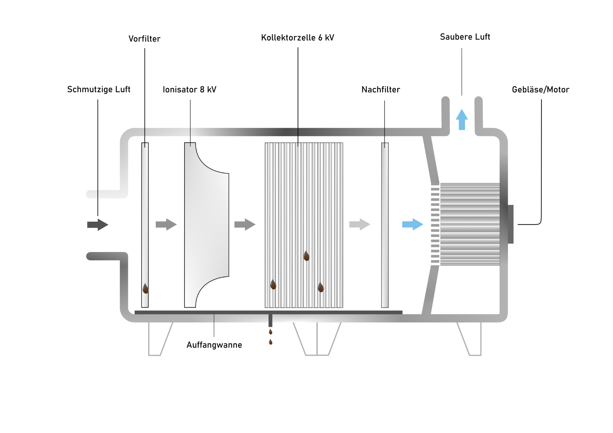
Durchdachte elektrostatische Filtration
Der EL-FI arbeitet mit einem mehrstufigen elektrostatischen Abscheideverfahren, das hohe Effizienz und geringste Nachbehandlung gewährleistet:
Vorfiltersystem – Grobe Partikel und Fremdkörper werden zuverlässig zurückgehalten und schützen die nachfolgenden Stufen.
Ionisator – Ein Hochspannungsfeld lädt feinste Partikel elektrisch auf, damit sie im nächsten Schritt effektiv abgeschieden werden können.
Kollektorzelle – Die elektrisch geladenen Partikel werden durch wechselnde Hochspannungsplatten gezielt aus dem Luftstrom gezogen und an den geerdeten Plattenoberflächen abgesetzt. Die abgeschiedene Flüssigkeit wird gesammelt und kann über einen optionalen Siphon abgeführt werden. So sind Abscheidegrade bis zu 99 % möglich.
Nachfiltersystem – Verteilt die gereinigte Luft gleichmäßig und sorgt für eine elektrolytische Entladung vor dem Austritt.

Individuelle Farbgestaltung
nach RAL
Unsere Filtersysteme sind in sämtlichen RAL-Farbtönen erhältlich. So lassen sich Anlagen optimal an bestehende Maschinen, Produktionsumgebungen oder Ihr Corporate Design anpassen. Neben der technischen Funktionalität erhalten Sie damit auch eine optisch harmonische und professionelle Integration in Ihre Betriebsumgebung.





